Break Character Detection and Auto-Baud

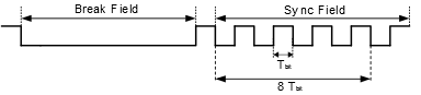
When USART receive mode is set to LINAUTO mode (RXMODE in USARTn.CTRLB), it follows the LIN format. All LIN frames start with a break field followed by a sync field. The USART uses a break detection threshold of greater than 11 nominal bit times at the configured baud rate. At any time, if more than 11 consecutive dominant bits are detected on the bus, the USART detects a break field. When a break field has been detected, the USART expects the sync field character to be 0x55. This field is used to update the actual baud rate in order to stay synchronized. If the received sync character is not 0x55, then the Inconsistent Sync Field Error flag (ISFIF in USARTn.STATUS) is set and the baud rate is unchanged.

Figure 1. LIN Break and Sync Fields

After a break field is detected and the Start bit of the sync field is detected, a counter is started. The counter is then incremented for the next eight Tbit of the sync field. At the end of these 8-bit times, the counter is stopped. At this moment, the ten Most Significant bits of the counter (value divided by 64) gives the new clock divider and the six Least Significant bits of this value (the remainder) gives the new fractional part. When the sync field has been received and all bits are found valid, the clock divider and the fractional part are updated in the Baud Rate Generator register (USARTn.BAUD). After the break and sync fields, n characters of data can be received.

When the USART receive mode is set to GENAUTO mode, a generic Auto-baud mode is enabled. In this mode, there are no checks of the sync character to equal 0x55. After detection of a break field, the USART expects the next character to be a sync field, counting eight low and high bit times. If the measured sync field results in a valid BAUD value (0x0064-0xffff), the BAUD register is updated. Setting the Wait for Break bit (WFB in USARTn.STATUS) before receiving the next break character, the next negative plus positive edge of RxD line is detected as a break. This makes it possible to set an arbitrary new baud rate without knowing the current baud rate.