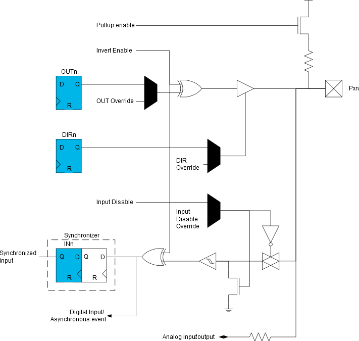
Block Diagram
Figure 1.
PORT Block Diagram
Parent topic:
Overview