Split Mode - Two 8-Bit Timer/Counters

Split Mode Overview

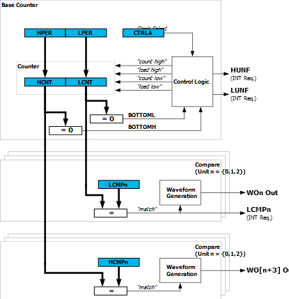
To double the number of timers and PWM channels in the TCA, a Split mode is provided. In this Split mode, the 16-bit timer/counter acts as two separate 8-bit timers, which each have three compare channels for PWM generation. The Split mode will only work with single-slope down-count. Split mode does not support event action controlled operation.

Split Mode Differences to Normal Mode

Block Diagram

Figure 1. Timer/Counter Block Diagram Split Mode

Split Mode Initialization

When shifting between Normal mode and Split mode, the functionality of some registers and bits changes, but their values do not. For this reason, disabling the peripheral (ENABLE=0 in TCAn.CTRLA) and doing a hard Reset (CMD=RESET in TCAn.CTRLESET) is recommended when changing the mode to avoid unexpected behavior.

To start using the timer/counter in basic Split mode after a hard Reset, follow these steps:
  • Enable Split mode by writing a '1' to the Split mode enable bit in the Control D register (SPLITM in TCAn.CTRLD)
  • Write a TOP value to the Period registers (TCAn.PER)
  • Enable the peripheral by writing a '1' to the ENABLE bit in the Control A register (TCAn.CTRLA).

    The counter will start counting clock ticks according to the prescaler setting in the Clock Select bit field (CLKSEL) in TCAn.CTRLA.

  • The counter values can be read from the Counter bit field in the Counter registers (TCAn.CNT)

Activating Split mode results in changes to the functionality of some registers and register bits. The modifications are described in a separate register map.