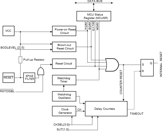
The device has the following sources of
reset:
- Power-on Reset. The MCU is reset when
the supply voltage is less than the Power-on Reset threshold (VPOT).
- External Reset. The MCU is reset when a
low level is present on the RESET pin for longer than the
minimum pulse length.
- Watchdog System Reset. The MCU is reset when the Watchdog Timer period expires and the Watchdog System Reset mode is enabled.
- Brown-out Reset. The MCU is reset when
the supply voltage VCC is
less than the Brown-out Reset threshold (VBOT) and the Brown-out Detector is enabled.
Figure 1. Reset Logic