Parallel Programming Characteristics

Table 1. Parallel Programming Characteristics, VCC = 5V ± 10%
Symbol Parameter Min. Max. Units
VPP Programming Enable Voltage 11.5 12.5 V
IPP Programming Enable Current - 250 μA
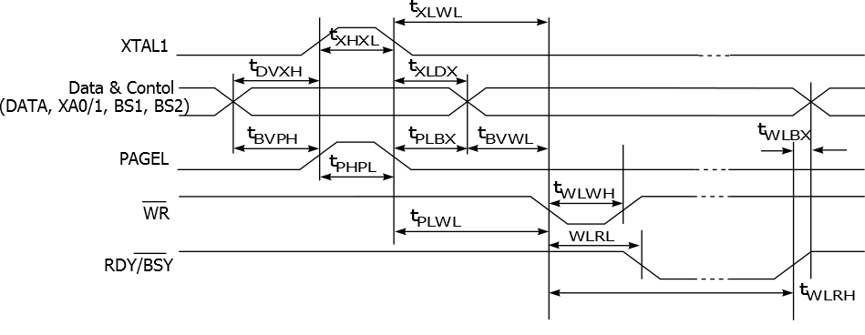
tDVXH Data and Control Valid before XTAL1 High 67 - ns
tXLXH XTAL1 Low to XTAL1 High 300 - ns
tXHXL XTAL1 Pulse Width High 150 - ns
tXLDX Data and Control Hold after XTAL1 Low 67 - ns
tXLWL XTAL1 Low to WR Low 0 - ns
tXLPH XTAL1 Low to PAGEL high 0 - ns
tPLXH PAGEL low to XTAL1 high 150 - ns
tBVPH BS1 Valid before PAGEL High 67 - ns
tPHPL PAGEL Pulse Width High 200 - ns
tPLBX BS1 Hold after PAGEL Low 67 - ns
tWLBX BS2/1 Hold after RDY/BSY high 67 - ns
tPLWL PAGEL Low to WR Low 67 - ns
tBVWL BS1 Valid to WR Low 67 - ns
tWLWH WR Pulse Width Low 150 - ns
tWLRL WR Low to RDY/BSY Low 0 1 μs
tWLRH WR Low to RDY/BSY High(1) 2 4.5 ms
tWLRH_CE WR Low to RDY/BSY High for Chip Erase(2) 7.5 12 ms
tXLOL XTAL1 Low to OE Low 0 - ns
tBVDV BS1 Valid to DATA valid 0 500 ns
tOLDV OE Low to DATA Valid - 500 ns
tOHDZ OE High to DATA Tri-stated - 500 ns
Note:
  1. 1.tWLRH is valid for the Write Flash, Write EEPROM, Write Fuse bits and Write Lock bits commands.
  2. 2.tWLRH_CE is valid for the Chip Erase command.
Figure 1. Parallel Programming Timing, Including Some General Timing Requirements
Figure 2. Parallel Programming Timing, Loading Sequence With Timing Requirements
Note: The timing requirements shown in Parallel Programming Characteristics (i.e., tDVXH, tXHXL, and tXLDX) also apply to loading operation.
Figure 3. Parallel Programming Timing, Reading Sequence (Within the Same Page) With Timing Requirements
Note: The timing requirements shown in Parallel Programming Characteristics (i.e., tDVXH, tXHXL, and tXLDX) also apply to reading operation.