Fast PWM Mode

The Fast Pulse Width Modulation or Fast PWM modes (modes 5, 6, 7, 14, and 15, WGMn[3:0]= 0x5, 0x6, 0x7, 0xE, 0xF) provide a high frequency PWM waveform generation option. The Fast PWM differs from the other PWM options by its single-slope operation. The counter counts from BOTTOM to TOP then restarts from BOTTOM.

In non-inverting Compare Output mode, the Output Compare (OCnx) is cleared on the compare match between TCNTn and OCRnx and set at BOTTOM. In inverting Compare Output mode output is set on compare match and cleared at BOTTOM. Due to the single-slope operation, the operating frequency of the Fast PWM mode can be twice as high as the phase correct, and phase and frequency correct PWM modes that use dual-slope operation. This high frequency makes the Fast PWM mode well suited for power regulation, rectification, and DAC applications. High frequency allows physically small sized external components (coils, capacitors), hence reduces total system cost.

The PWM resolution for Fast PWM can be fixed to 8-, 9-, or 10-bit, or defined by either ICRn or OCRnA. The minimum resolution allowed is 2-bit (ICRn or OCRnA register set to 0x0003), and the maximum resolution is 16-bit (ICRn or OCRnA registers set to MAX). The PWM resolution in bits can be calculated by using the following equation:

RFPWM=logTOP+1log2

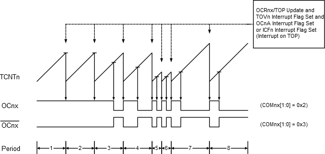
In Fast PWM mode the counter is incremented until the counter value matches either one of the fixed values 0x00FF, 0x01FF, or 0x03FF (WGMn[3:0] = 0x5, 0x6, or 0x7), the value in ICRn (WGMn[3:0]=0xE), or the value in OCRnA (WGMn[3:0]=0xF). The counter is then cleared at the following timer clock cycle. The timing diagram for the Fast PWM mode using OCRnA or ICRn to define TOP is shown below. The TCNTn value is in the timing diagram shown as a histogram for illustrating the single-slope operation. The diagram includes non-inverted and inverted PWM outputs. The small horizontal lines on the TCNTn slopes mark compare matches between OCRnx and TCNTn. The OCnx interrupt flag will be set when a compare match occurs.

Figure 1. Fast PWM Mode, Timing Diagram
Note: The “n” in the register and bit names indicates the device number (n = 1, 3, 4 for Timer/Counter 1, 3, 4), and the “x” indicates output compare unit (A/B).

The Timer/Counter Overflow flag (TOVn) is set each time the counter reaches TOP. In addition, when either OCRnA or ICRn is used for defining the TOP value, the OCnA or ICFn flag is set at the same timer clock cycle TOVn is set. If one of the interrupts are enabled, the interrupt handler routine can be used for updating the TOP and compare values.

When changing the TOP value the program must ensure that the new TOP value is higher or equal to the value of all of the Compare registers. If the TOP value is lower than any of the Compare registers, a compare match will never occur between the TCNTn and the OCRnx. Note that when using fixed TOP values the unused bits are masked to zero when any of the OCRnx registers are written.

The procedure for updating ICRn differs from updating OCRnA when used for defining the TOP value. The ICRn register is not double buffered. This means that if ICRn is changed to a low value when the counter is running with none or a low prescaler value, there is a risk that the new ICRn value written is lower than the current value of TCNTn. As result, the counter will miss the compare match at the TOP value. The counter will then have to count to the MAX value (0xFFFF) and wrap around starting at 0x0000 before the compare match can occur. The OCRnA Register, however, is double buffered. This feature allows the OCRnA I/O location to be written any time. When the OCRnA I/O location is written the value written will be put into the OCRnA Buffer register. The OCRnA Compare register will then be updated with the value in the Buffer register at the next timer clock cycle the TCNTn matches TOP. The update is performed at the same timer clock cycle as the TCNTn is cleared and the TOVn flag is set.

Using the ICRn register for defining TOP works well when using fixed TOP values. By using ICRn, the OCRnA is free to be used for generating a PWM output on OCnA. However, if the base PWM frequency is actively changed (by changing the TOP value), using the OCRnA as TOP is clearly a better choice due to its double buffer feature.

In Fast PWM mode, the compare units allow generation of PWM waveforms on the OCnx pins. Writing the COMnx[1:0] bits to 0x2 will produce an inverted PWM and a non-inverted PWM output can be generated by writing the COMnx[1:0] to 0x3. The actual OCnx value will only be visible on the port pin if the data direction for the port pin is set as output (DDR_OCnx). The PWM waveform is generated by setting (or clearing) the OCnx Register at the compare match between OCRnx and TCNTn, and clearing (or setting) the OCnx register at the timer clock cycle the counter is cleared (changes from TOP to BOTTOM).

The PWM frequency for the output can be calculated by the following equation:

fOCnxPWM=fclk_I/ON1+TOP
Note:

The extreme values for the OCRnx registers represent special cases when generating a PWM waveform output in the Fast PWM mode. If the OCRnx is set equal to BOTTOM (0x0000) the output will be a narrow spike for each TOP+1 timer clock cycle. Setting the OCRnx equal to TOP will result in a constant high or low output (depending on the polarity of the output which is controlled by COMnx[1:0]).

A frequency waveform output with 50% duty cycle can be achieved in Fast PWM mode by selecting OCnA to toggle its logical level on each compare match (COMnA[1:0]=0x1). This applies only if OCRnA is used to define the TOP value (WGMn[3:0]=0xF). The waveform generated will have a maximum frequency of fOCnA = fclk_I/O/2 when OCRnA is set to zero (0x0000). This feature is similar to the OCnA toggle in CTC mode, except the double buffer feature of the output compare unit is enabled in the Fast PWM mode.