Pin Change Interrupt Timing
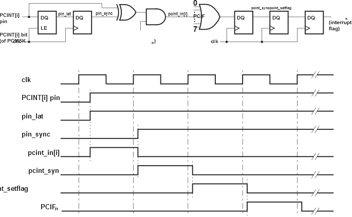
An example of timing of a pin change interrupt is shown in the following figure.
Figure 1.
Timing of Pin Change Interrupts
Parent topic:
EXTINT - External Interrupts
Related Links
System Control and Reset
Clock Systems and Their Distribution
System Clock and Clock Options