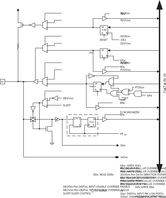
Most port pins have alternate functions in addition to being general digital I/Os. The following figure shows how the port pin control signals from the simplified in the figure of Ports as General Digital I/O can be overridden by alternate functions. The overriding signals may not be present in all port pins, but the figure serves as a generic description applicable to all port pins in the AVR microcontroller family.

The following table summarizes the function of the overriding signals. The pin and port indexes from previous figure are not shown in the succeeding tables. The overriding signals are generated internally in the modules having the alternate function.
| Signal Name | Full Name | Description |
|---|---|---|
| PUOE | Pull-up Override Enable | If this signal is set, the pull-up enable is controlled by the PUOV signal. If this signal is cleared, the pull-up is enabled when PUExn = 0b1. |
| PUOV | Pull-up Override Value | If PUOE is set, the pull-up is enabled/disabled when PUOV is set/cleared, regardless of the setting of the PUExn Register bit. |
| DDOE | Data Direction Override Enable | If this signal is set, the Output Driver Enable is controlled by the DDOV signal. If this signal is cleared, the Output driver is enabled by the DDxn Register bit. |
| DDOV | Data Direction Override Value | If DDOE is set, the Output Driver is enabled/disabled when DDOV is set/cleared, regardless of the setting of the DDxn Register bit. |
| PVOE | Port Value Override Enable | If this signal is set and the Output Driver is enabled, the port value is controlled by the PVOV signal. If PVOE is cleared, and the Output Driver is enabled, the port Value is controlled by the PORTxn Register bit. |
| PVOV | Port Value Override Value | If PVOE is set, the port value is set to PVOV, regardless of the setting of the PORTxn Register bit. |
| PTOE | Port Toggle Override Enable | If PTOE is set, the PORTxn Register bit is inverted. |
| DIEOE | Digital Input Enable Override Enable | If this bit is set, the Digital Input Enable is controlled by the DIEOV signal. If this signal is cleared, the Digital Input Enable is determined by MCU state (Normal mode, sleep mode). |
| DIEOV | Digital Input Enable Override Value | If DIEOE is set, the Digital Input is enabled/disabled when DIEOV is set/cleared, regardless of the MCU state (Normal mode, sleep mode). |
| DI | Digital Input | This is the Digital Input to alternate functions. In the figure, the signal is connected to the output of the Schmitt Trigger but before the synchronizer. Unless the Digital Input is used as a clock source, the module with the alternate function will use its own synchronizer. |
| AIO | Analog Input/Output | This is the Analog Input/output to/from alternate functions. The signal is connected directly to the pad, and can be used bi-directionally. |
The following subsections shortly describe the alternate functions for each port, and relate the overriding signals to the alternate function. Refer to the alternate function description for further details.