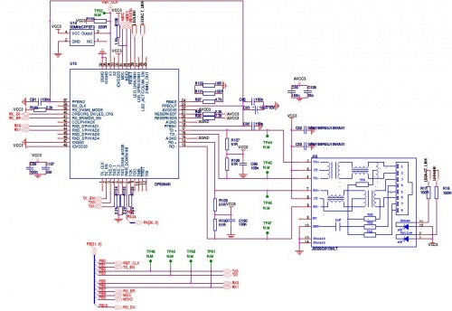
The EVK1100 provides one integrated Media Access Control (MAC) Interface to interface an external PHY National Semiconductor DP83848I. The EVK1100 Ethernet interface has a RJ45 Ethernet connector.

The documentation to the external PHY is available on National Semiconductors web site. Refer to application notes for more details and advise regarding specific layout for this component.
The MAC Interface is connected with external PHY following RMII specification. The MAC Interface follows the following pinout:
| PHY Interface pin number | GPIO Name | Alternate function used |
|---|---|---|
| 2 | PB 01 | TXEN |
| 3 | PB 02 | TX0 |
| 4 | PB 03 | TX1 |
| 43 | PB 05 | RX0 |
| 44 | PB 06 | RX1 |
| 41 | PB 07 | RXER |
| 31 | PB 08 | MDC |
| 30 | PB 09 | MDIO |
| 40 | PB 15 | RXDV |
| 7 | PA 24 | EXTINT_3 |
| 34 | PB 00 | TXCLK |
