Analog Input Connection Considerations

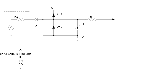
A simplified circuit for an analog input is shown in Figure 1. Since the analog input pins share their connection with a digital input, they have reverse biased ESD protection diodes to VDD and VSS. The analog input, therefore, must be between VSS and VDD. If the input voltage deviates from this range by more than 0.6V in either direction, one of the diodes is forward biased and a latch-up may occur.

A maximum source impedance of 10 kΩ is recommended for the analog sources. Also, any external component connected to an analog input pin, such as a capacitor or a Zener diode, should have very little leakage current to minimize inaccuracies introduced.

Note:
  1. 1.When reading a PORT register, all pins configured as analog inputs will read as a ‘0’. Pins configured as digital inputs will convert as an analog input, according to the input specification.
  2. 2.Analog levels on any pin defined as a digital input, may cause the input buffer to consume more current than is specified.
    Figure 1. Analog Input Model
    Note: See Electrical Specifications chapter.