LP, XT, HS Modes

The LP, XT and HS modes support the use of quartz crystal resonators or ceramic resonators connected to OSC1 and OSC2 (Figure 1). The three modes select a low, medium or high gain setting of the internal inverter-amplifier to support various resonator types and speed.

LP Oscillator mode selects the lowest gain setting of the internal inverter-amplifier. LP mode current consumption is the least of the three modes. This mode is designed to drive only 32.768 kHz tuning-fork type crystals (watch crystals).

XT Oscillator mode selects the intermediate gain setting of the internal inverter-amplifier. XT mode current consumption is the medium of the three modes. This mode is best suited to drive resonators with a medium drive level specification (above 500 kHz - 8 MHz).

HS Oscillator mode selects the highest gain setting of the internal inverter-amplifier. HS mode current consumption is the highest of the three modes. This mode is best suited for resonators that require a high drive setting (above 8 MHz).

Figure 1 and Figure 2 show typical circuits for quartz crystal and ceramic resonators, respectively.

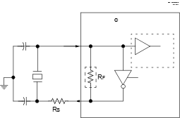
Figure 1. Quartz Crystal Operation (LP, XT or HS Mode)
Note:
  1. 1.A series resistor (RS) may be required for quartz crystals with low drive level.
  2. 2.The value of RF varies with the Oscillator mode selected (typically between 2 MΩ to 10 MΩ).
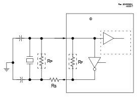
Figure 2. Ceramic Resonator Operation
(XT or HS Mode)
Note:
  1. 1.A series resistor (RS) may be required for ceramic resonators with low drive level.
  2. 2.The value of RF varies with the Oscillator mode selected (typically between 2 MΩ to 10 MΩ).
  3. 3.An additional parallel feedback resistor (RP) may be required for proper ceramic resonator operation.