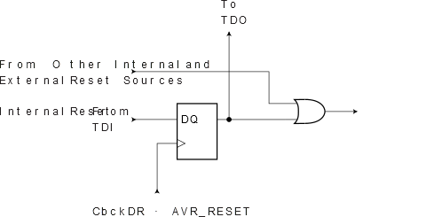
The Reset Register is a Test Data Register used to reset the part. Since the AVR tri-states Port Pins when reset, the Reset Register can also replace the function of the unimplemented optional JTAG instruction HIGHZ.
A high value in the Reset Register corresponds to pulling the External Reset low. The part is reset as long as there is a high value present in the Reset Register. Depending on the Fuse settings for the clock options, the part will remain reset for a Reset Time-Out Period (refer to Clock Sources) after releasing the Reset Register. The output from this Data Register is not latched, so the Reset will take place immediately, as shown in the figure below.
