ATtiny817 applies the latest technologies from Microchip with a flexible and low-power architecture including Event System and SleepWalking, accurate analog features, and advanced peripherals.
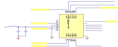
As shown in the figure below, peripherals used in this design mainly include:
