The I2C slave is byte-oriented and interrupt-based. The number of interrupts generated is kept at a minimum by automatic handling of most events. The software driver complexity and code size are reduced by auto-triggering of operations, and a special smart mode, which can be enabled by the Smart Mode Enable bit in the Control A register (CTRLA.SMEN).
The I2C slave has two interrupt strategies.
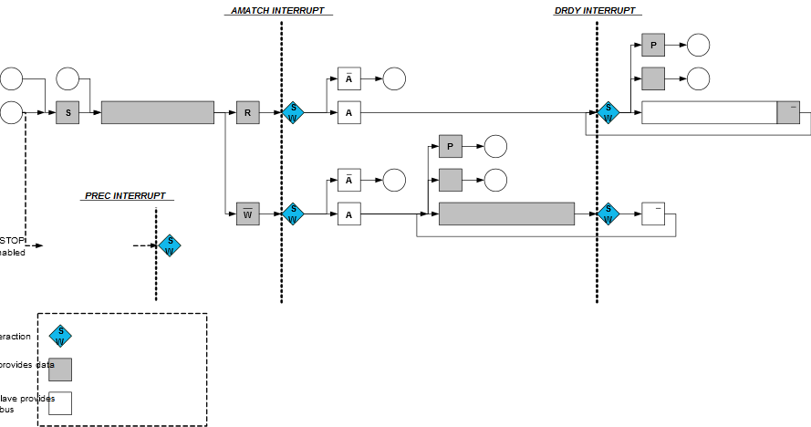
When SCL Stretch Mode bit (CTRLA.SCLSM) is '0', SCL is stretched before or after the acknowledge bit. In this mode, the I2C slave operates according to I2C Slave Behavioral Diagram (SCLSM=0). The circles labelled "Sn" (S1, S2..) indicate the nodes the bus logic can jump to, based on software or hardware interaction.
This diagram is used as reference for the description of the I2C slave operation throughout the document.

In the second strategy (CTRLA.SCLSM=1), interrupts only occur after the ACK bit is sent as shown in Slave Behavioral Diagram (SCLSM=1). This strategy can be used when it is not necessary to check DATA before acknowledging. For master reads, an address and data interrupt will be issued simultaneously after the address acknowledge. However, for master writes, the first data interrupt will be seen after the first data byte has been received by the slave and the acknowledge bit has been sent to the master.
