The Timer2 module is a 8-bit timer that incorporate the following features:
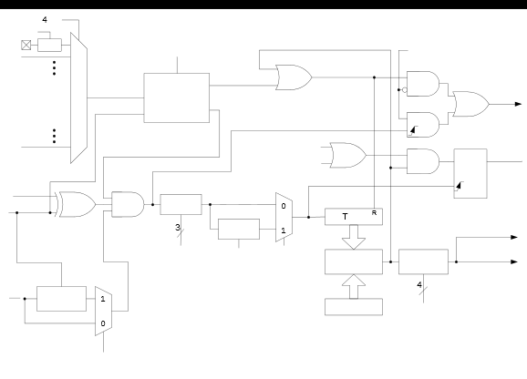
See Figure 1 for a block diagram of Timer2. See table below for the clock source selections.

| CS<3:0> | Clock Source | |||
|---|---|---|---|---|
| Timer2 | Timer4 | Timer6 | Timer8 | |
| 1111-1001 | Reserved | Reserved | Reserved | Reserved | 
| 1000 | ZCD_OUT | ZCD_OUT | ZCD_OUT | ZCD_OUT | 
| 0111 | CLKREF_OUT | CLKREF_OUT | CLKREF_OUT | CLKREF_OUT | 
| 0110 | SOSC | SOSC | SOSC | SOSC | 
| 0101 | MFINTOSC (31 kHz) | MFINTOSC (31 kHz) | MFINTOSC (31 kHz) | MFINTOSC (31 kHz) | 
| 0100 | LFINTOSC | LFINTOSC | LFINTOSC | LFINTOSC | 
| 0011 | HFINTOSC | HFINTOSC | HFINTOSC | HFINTOSC | 
| 0010 | Fosc | Fosc | Fosc | Fosc | 
| 0001 | Fosc/4 | Fosc/4 | Fosc/4 | Fosc/4 | 
| 0000 | Pin selected by T2INPPS | Pin selected by T4INPPS | Pin selected by T6INPPS | Pin selected by T8INPPS |